產品目錄
液體渦輪流量計
液體流量計
水流量計
油流量計
氣體渦輪流量計
橢圓齒輪流量計
電磁流量計
渦街流量計
蒸汽流量計
孔板流量計
旋進旋渦流量計
熱式氣體質量流量計
轉子流量計
浮子流量計
靶式流量計
氣體流量計
超聲波流量計
磁翻板液位計
浮子液位計
浮球液位計
玻璃管液位計
雷達液位計
超聲波液位計
投入式液位計
壓力變送器
差壓變送器
液位變送器
溫度變送器
熱電偶
熱電阻
雙金屬溫度計
推薦產品
聯系我們
- 金湖凱銘儀表有限公司
- 聯系電話:15195518515
- 在線客服:1464856260
- 電話:0517-86801009
- 傳真號碼:0517-86801007
- 郵箱:1464856260@qq.com
- 網址:http://www.carneboysjerky.com
- 地址:江蘇省金湖縣理士大道61號
氣體渦輪流量計接線圖
發布時間:2021-04-24 07:51:47??點擊次數:3737次
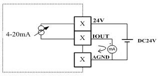
兩線制4-20mA輸出功能接線說明

三線制4-20mA電流輸出

脈沖輸出接線圖

RS485輸出接線圖

IC卡信號接線說明

說明:
1、默認低電平,高電平有效,高電平>2.8V,低電平<0.2V,脈沖寬度可設置,BC、BL接線方式與IC信號相同(詳細請咨詢售后人員)。
2、任意供電下均有IC卡信號輸出。
報警輸出接線說明

上一篇:氣體渦輪流量計的用途下一篇:橢圓齒輪流量計不轉的原因
相關資訊
- 氣體渦輪流量計安裝直管段要求
- 氣體渦輪流量計的結構與工作原理
- 氣體渦輪流量計的產品特點和適用范圍
- 氣體渦輪流量計選型指南與外形尺寸
- 氣體渦輪流量計使用環境
- 氣體渦輪流量計使用注意事項
- 氣體渦輪流量計怎么清洗
- 氣體渦輪流量計適用范圍
- 氣體渦輪流量計為什么要加油
- 氣體渦輪流量計波動大解決辦法
- 氣體渦輪流量計安裝距離要求
- 氣體渦輪流量計安裝注意事項
- 氣體渦輪流量計應用范圍
- 氣體渦輪流量計常見故障有哪些
- 提高氣體渦輪流量計精度的方法
- 氣體渦輪流量計精度等級
- 氣體渦輪流量計的技術參數
- 氣體渦輪流量計不準原因
- 氣體渦輪流量計的優缺點
- 氣體渦輪流量計的用途
- 氣體渦輪流量計接線圖
- 氣體渦輪流量計種類
- 用氣體渦輪流量計測量天然氣流量
- 氣體渦輪流量計的優點
- 氣體渦輪流量計使用方法
- 氣體渦輪流量計的選型表
- 氣體渦輪流量計結構圖
- 影響氣體渦輪流量計測量精度的因素及措施
- 氣體渦輪流量計維護保養
- 氣體渦輪流量計特點

